圖片:
背景是這樣:公司現在進了一批電機,用的是SANCH變頻器控制,PLC是三菱的FX-3G,現在目的是要把變頻器和PLC連接,運行起來,過2天就要調試了
現在直接進入我的問題:
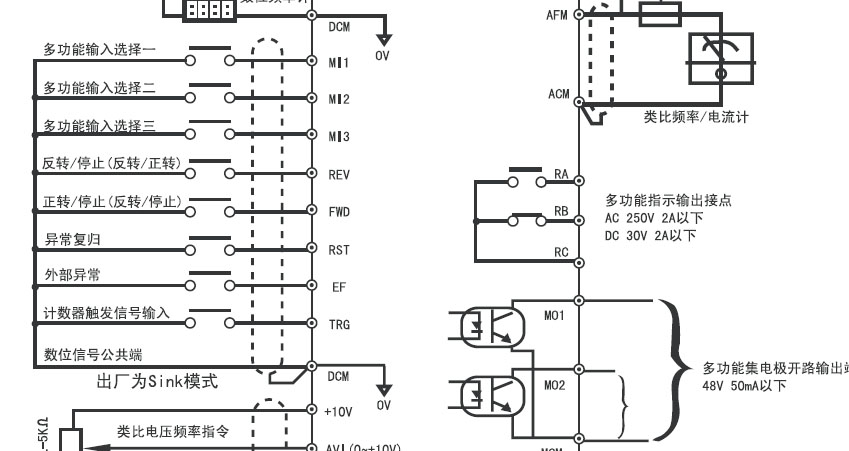
一:變頻器和PLC能 不在程序里做通訊而直接接線,用變頻器的控制面板進行控制嗎?
二:下面附一圖,如果我現在就想要電機:“正轉,故障輸出”,那么那線應該怎么連?
三:報警輸出有RA,RB,RC,旁邊有提示說AC 250V 2A 以下,DC 20V 2A以下,這個是什么意思,要怎么接,我僅僅想要的是故障輸出,我怕我接錯了,PLC燒了就麻煩了。
求各位大蝦一定要幫小弟這個忙!!
